QR-код
Продукти
Зв'яжіться з нами


Факс
+86-574-87168065

Електронна пошта

Адреса
Промислова зона Луотуо, район Чженхай, місто Нінбо, Китай
Універсальна муфта Raydafon SWC-WF без гнучкого фланцевого типу створена спеціально для передачі високого крутного моменту у важких машинах — наприклад, металургійному обладнанні, кранах, гірничодобувних системах, у всіх важких установках, які потребують постійної потужності. Він має негнучку конструкцію фланця, діаметр обертання в діапазоні від 160 мм до 640 мм, і ця універсальна муфта фланцевого типу справляється з великими кутовими перекосами та безперервною швидкістю обертання без проблем, навіть під час роботи в надскладних умовах. Для виготовлення ми використовуємо високоміцну сталь 35CrMo, тому вона чудово витримує інтенсивні навантаження — саме тому це найкращий вибір для універсальних муфт для важкого машинобудування та негнучких універсальних муфт для промислового застосування. Точне виробництво Raydafon гарантує надійну продуктивність кожного разу, особливо для галузей, які не можуть йти на компроміс щодо постійної доставки крутного моменту.
Ця універсальна муфта SWC-WF створена для довговічності, має жорстке фланцеве з’єднання, яке спрощує установку в таких системах, як суднобудівні приводи та прокатні стани — у місцях, де осьовий рух невеликий. Ми суворо дотримуємося стандартів ISO 9001, а наша фабрика в Китаї використовує вдосконалену обробку та сувору перевірку якості, щоб зробити цю міцну фланцеву універсальну муфту. Він поставляється в розмірах, що налаштовуються, з номінальним крутним моментом до 1250 кН·м, тож він підходить до спеціальних універсальних муфт для металургійного обладнання та інших важких установок. Raydafon також пропонує індивідуальні рішення за конкурентними цінами, що допомагає скоротити час простою та підвищити надійність вашого обладнання.
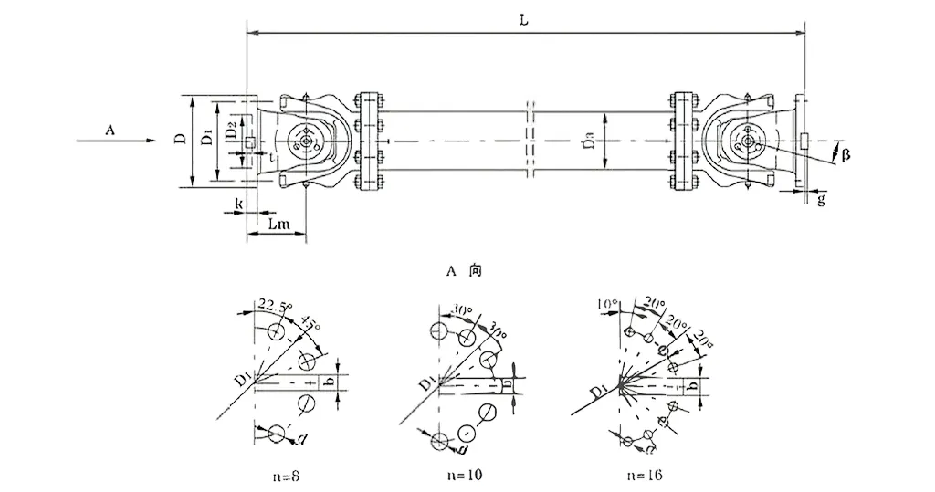
| немає | Діаметр обертання D мм | Номінальний крутний момент Тн КН·м | Кут складання осей β (°) | Втомлений крутний момент Tf КН·м | Розмір (мм) | Інерція обертання кг.м2 | Вага (кг) | |||||||||||
| Lmin | D1 (js11) | D2 (H7) | D3 | Lm | н-д | k | t | b (h9) | g | Lmin | Збільшення 100 мм | Lmin | Збільшення 100 мм | |||||
| SWC285WF | 285 | 90 | 45 | ≤15 | 810 | 245 | 170 | 194 | 160 | 8-21 | 27 | 7 | 40 | 15 | 2.664 | 0.051 | 220 | 6.3 |
| SWC315WF | 315 | 125 | 63 | 915 | 280 | 185 | 219 | 180 | 10-23 | 32 | 8 | 40 | 15 | 4.469 | 0.0795 | 300 | 8.0 | |
| SWC350WF | 350 | 180 | 90 | 980 | 310 | 210 | 267 | 194 | 10-23 | 35 | 8 | 50 | 16 | 7.388 | 0.2219 | 412 | 15.0 | |
| SWC390WF | 390 | 250 | 125 | 1100 | 345 | 235 | 267 | 215 | 10-25 | 40 | 8 | 70 | 18 | 13.184 | 0.2219 | 588 | 15.0 | |
| SWC440WF | 440 | 355 | 180 | 1290 | 390 | 255 | 325 | 260 | 16-28 | 42 | 10 | 80 | 20 | 23.250 | 0.4744 | 880 | 21.7 | |
| SWC490WF | 490 | 500 | 250 | 1360 | 435 | 275 | 325 | 270 | 16-31 | 47 | 12 | 90 | 22.5 | 40.750 | 0.4744 | 1173 | 21.7 | |
| SWC550WF | 550 | 710 | 355 | 1510 | 492 | 320 | 426 | 305 | 16-31 | 50 | 12 | 100 | 22.5 | 68.480 | 1.3570 | 1663 | 34.0 | |
| SWC620WF | 620 | 1000 | 500 | 1690 | 555 | 380 | 426 | 340 | 10-38 | 55 | 12 | 100 | 25 | 127.530 | 1.3570 | 2332 | 34.0 | |
* 1. Tf-при змінному навантаженні крутний момент, який дозволяє відповідно до втомної міцності.
* 2. L-встановлена довжина, яка відповідає вимогам.
Універсальна муфта Raydafon SWC-WF без гнучкої фланцевої муфти, яка також називається муфтою карданного валу SWC, працює на базовій механічній ідеї: вона передає крутний момент від двох неколінеарних валів туди, куди йому потрібно, а також справляється з порушеннями центрування. Ця карданна муфта з високим крутним моментом використовує поперечні підшипники для з’єднання фланців на обох кінцях, тож навіть коли вали зміщені на 25 градусів або мають осьові/радіальні відхилення, обертальна сила все ще передається плавно.
Основою його роботи є конструкція універсального шарніра — є поперечний вал, який діє як шарнір, дозволяючи кожному фланцю рухатися самостійно. Таким чином, крутний момент ефективно передається від ведучого вала до веденого, і це компенсує кутові зміщення, не створюючи надмірного навантаження на частини, з якими він з’єднаний. Якщо вам потрібне надійне карданне з’єднання для важких умов роботи на прокатних станах, його жорстка, негнучка конструкція фланця забезпечує стабільність, що ідеально підходить для з’єднань на короткій відстані в компактних важких машинах.
Його функція виділяється тим, що він не має гнучких частин або функцій розширення — це відрізняє його від інших типів і робить його чудовим для місць, де осьовий рух мінімальний. Надійна муфта карданного вала SWC, яку ми використовуємо в підйомно-транспортному обладнанні, спирається на цей принцип, щоб залишатися збалансованим навіть за великих навантажень; він досягає ефективності передачі до 98,6% і не витрачає багато енергії. Ця промислова карданна муфта також зменшує вібрацію завдяки точному руху підшипника, тож вона працює безперебійно навіть у ситуаціях високого стресу — так само, як системи карданної муфти для важкої техніки, які ви бачите на важких промислових роботах.
Крім того, універсальна муфта Raydafon SWC для важких умов має зварені фланці, щоб зробити її міцнішою — більше не потрібно турбуватися про те, що болти ослабляться, і це підвищує загальну міцність на 30%-50%. Будучи ефективним карданним шарніром для передачі великої потужності, він справляється з номінальним крутним моментом від 0,15 до 1000 кН·м і має діаметр обертання від φ58 до φ620, що робить його найкращим вибором для енергозберігаючих універсальних шарнірних муфт у складних промислових трансмісіях. Завдяки рівню шуму в межах 30-40 дБ(А) ця малошумна універсальна муфта працює тихо, що ідеально підходить для промислових місць, де шум викликає занепокоєння, зберігаючи при цьому високі стандарти надійності.
Карданна муфта Raydafon SWC, яку часто називають муфтою карданного валу SWC, є не просто стандартною деталлю; це обов’язковий атрибут для важких промислових установок, таких як прокатні стани, підйомні механізми та всі види жорстких систем важкого обладнання. Як карданна муфта з високим крутним моментом, вона добре виконує роботу, з’єднуючи два трансмісійних вали, які не вирівняні ідеально, забезпечуючи безперебійну передачу потужності навіть у важких умовах роботи.
Розповімо про його основні характеристики: діаметр обертання від φ58 до φ620, номінальний крутний момент від 0,15 до 1000 кН·м, кут загину осі не більше 25°.
Цей продукт справді блищить у особливих ситуаціях, наприклад, коли вам потрібна надійна карданна муфта для роботи на прокатних станах або довговічна карданна муфта SWC для підйому та транспортування матеріалів. У цих випадках він доводить свою цінність, зберігаючи роботу стабільною, навіть коли він має справу з великими навантаженнями.
Універсальна муфта Raydafon SWC створена не просто для функціональності — вона розроблена з продуманою конструкцією, щоб витримувати промислове використання та підтримувати хорошу роботу протягом тривалого часу. Давайте розберемо, чим виділяється його структура.
По-перше, він має розумну та безпечну конфігурацію: ми використали інтегровану конструкцію вилкової головки для цієї промислової універсальної муфти, що зменшує ризики, такі як ослаблення або поломка болтів. Лише це підвищує його структурну цілісність на 30%-50%, тому він працює безпечно та надійно. Порівняно зі звичайними муфтами, вона служить довше та дозволяє уникнути звичайних поломок у місцях із високим навантаженням, як-от системи карданних муфт важкої техніки, які ви бачите під час важких робіт.
Крім того, є його підвищена несуча здатність: ця потужна карданна муфта SWC створена для роботи з великою вагою, тому її необхідно мати в місцях, де потрібне першокласне керування навантаженням, наприклад, для гірничої та будівельної техніки.
Він також забезпечує високу ефективність передачі — до 98,6%. Як ефективна універсальна муфта для передачі великої потужності, вона скорочує споживання енергії та пов’язані з цим витрати. Ось чому це найкращий вибір для енергозберігаючих карданних муфт у потужних промислових трансмісіях.
І він працює плавно з низьким рівнем шуму: він забезпечує стабільність передачі, а рівень шуму зазвичай становить 30-40 дБ(А). Це малошумне карданне з’єднання гарантує безшумність роботи, що ідеально підходить для місць, де шум є проблемою, зберігаючи при цьому надійність на високому рівні.
⭐⭐⭐⭐⭐ Чень Лян, інженер-технолог, Zhejiang Machinery Co., Ltd.
Ми встановили універсальну муфту Raydafon SWC-WF без гнучкої фланцевої муфти на одну з наших виробничих ліній, і досі вона чудово працює. Конструкція проста, але міцна — встановити її було легко, без складних кроків. Після налаштування він працює гладко, не потребує додаткових налаштувань. Навіть коли навантаження велике, це з’єднання залишається надійним, а це означає, що ми можемо підтримувати роботу машин протягом довгих годин, не турбуючись про це, безумовно, це дає нам більше спокою.
⭐⭐⭐⭐⭐ Сунь Мей, начальник відділу закупівель Hebei Steel Co., Ltd.
Наша компанія придбала кілька універсальних з’єднань типу SWC-WF без гнучкого фланця у Raydafon, і, по-перше, доставка була вчасно, а також упаковка була ретельною — жодних пошкоджень. Мене справді вразило те, що сказала команда майстерні: вони сказали мені, що муфти легко встановити, а під час їх використання вони відчувають себе справді міцними. Крім того, порівняно з іншими постачальниками, ціна тут справедлива. Загалом, ми дуже задоволені цією покупкою.
⭐⭐⭐⭐⭐ Го Цзюнь, менеджер з технічного обслуговування, Liaoning Heavy Industry Group
Моя робота полягає в тому, щоб наші машини працювали, і я намагаюся максимально скоротити час простою. З тих пір, як ми почали використовувати універсальну муфту Raydafon SWC-WF без гнучкої фланцевої муфти, я помітив велику різницю — менший знос деталей і значно менше проблем під час експлуатації. Конструкція міцна, і вона не потребує багато обслуговування. Це економить час і гроші, і це виявилося надзвичайно надійною частиною для нашого обладнання.
Raydafon є ключовою дочірньою компанією EVER-POWER Group Co., Ltd. — ми не просто постачальники, а й постачальники високоякісних компонентів трансмісії та промислових рішень, і ми приділяємо велику увагу інноваційним продуктам, таким як муфта карданного валу SWC. Відколи ми почали, ми займаємося вдосконаленням технологій і ростом на глобальних ринках; ми не зупинилися на продажі окремих компонентів — тепер ми створюємо повносистемні рішення, які ідеально відповідають потребам сільського господарства та важкої промисловості. Наше ноу-хау в приводних валах і трансмісійних продуктах означає, що клієнти, яким потрібні надійні карданні шарнірні муфти для важких умов роботи на прокатних станах (та інших складних роботах), можуть розраховувати на нас як на надійного партнера.
У Raydafon ми виробляємо широкий асортимент продукції: коробки передач, приводні вали, гідравлічні циліндри, шківи та навіть передові верстати, такі як токарні та фрезерні верстати з ЧПК. Наші рішення для карданних шарнірних муфт із високим крутним моментом — візьмемо, наприклад, серію SWC — створені для виконання суворих вимог галузей промисловості, які потребують довговічних карданних шарнірних муфт SWC у підйомному та транспортно-розвантажувальному обладнанні. У нас також є сучасні засоби: цехи з ЧПК, верстати для шліфування та термічної обробки, інструменти для 3D-вимірів — усе це відповідає стандартам ISO9001/TS16949, тож кожна промислова універсальна муфта, яку ми виготовляємо, є високоякісною та точною.
Ми продаємо 80% нашої продукції за кордоном, на такі ринки, як США, Німеччина, Японія, Італія, Малайзія, Австралія та Близький Схід. І ми маємо потужну мережу в таких місцях, як Китай, Південна Корея, Великобританія, Сінгапур, США та Іспанія, щоб підтримувати це. Цей глобальний охоплення дозволяє нам створювати індивідуальні рішення, такі як муфта карданного шарніра SWC для важких навантажень, розроблена для систем карданного шарніра важкої техніки, які повинні працювати з великими навантаженнями та служити довго.
Інновації та задоволення клієнтів є нашими пріоритетами. Ми пропонуємо енергозберігаючі універсальні шарнірні муфти, які досягають ефективності передачі до 98,6%, скорочуючи експлуатаційні витрати для установок високої потужності. Незалежно від того, чи потрібна вам ефективна універсальна муфта для передачі великої потужності чи малошумна універсальна муфта для місць, де шум має значення, наші продукти оснащені професійним післяпродажним обслуговуванням, і ми прагнемо робити все правильно. Ось чому Raydafon — найкращий вибір для всіх ваших потреб у передачі даних.
Адреса
Промислова зона Луотуо, район Чженхай, місто Нінбо, Китай
Тел
Електронна пошта


+86-574-87168065


Промислова зона Луотуо, район Чженхай, місто Нінбо, Китай
Copyright © Raydafon Technology Group Co., Limited. Усі права захищено.
Links | Sitemap | RSS | XML | Політика конфіденційності |
