QR-код
Продукти
Зв'яжіться з нами


Факс
+86-574-87168065

Електронна пошта

Адреса
Промислова зона Луотуо, район Чженхай, місто Нінбо, Китай
Універсальна муфта SWC-WD Short Without Flex Flange від Raydafon створена для ефективного переміщення крутного моменту у важких машинах — наприклад, сталепрокатних станах, кранах, підйомному обладнанні тощо. Він має компактну нетелескопічну конструкцію фланця з діаметром обертання в діапазоні від 180 мм до 1320 мм. Ця універсальна муфта з коротким фланцем може впоратися з кутовими перекосами до 15 градусів і крутним моментом до 16000 кН·м, тож навіть у вузьких місцях, де мало місця, вона забезпечує надійну передачу потужності. Ми виготовляємо його з високоміцної сталі 35CrMo з несучою конструкцією, яка не потребує болтів — ідеально підходить для універсальних муфт для важкої техніки та нетелескопічних універсальних муфт для промислового застосування. Він не потребує особливого догляду та служить вічно, а це саме те, що вам потрібно в складних умовах.
Наше виробництво в Китаї відповідає стандартам ISO 9001, тому універсальна муфта SWC-WD витримує важкі умови. Поперечний вал має хромоване покриття для захисту від корозії, що підвищує його міцність. Жорстка зварна фланцева конструкція спрощує встановлення, особливо в металургійному та гірничому обладнанні, де осьовий рух мінімальний. Ми можемо налаштувати розмір відповідно до ваших потреб, тому ця довговічна коротка універсальна муфта чудово підходить як індивідуальні універсальні муфти для кранових систем та інших важких робіт. І ціна теж конкурентна. Точна майстерність Raydafon означає менше простоїв і більш надійне обладнання — те, на що можуть розраховувати промислові оператори в усьому світі.
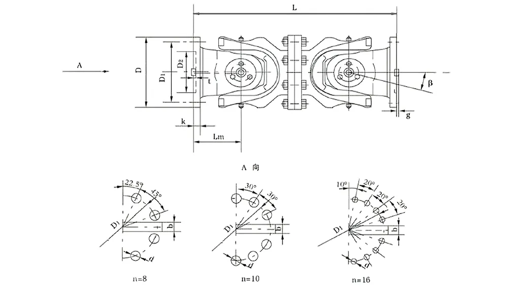
| немає | Діаметр обертання D мм | Номінальний крутний момент Тн КН·м | Кут складання осей β (°) | Втомлений крутний момент Tf КН·м | Розмір (мм) | Вага (кг) | |||||||||
| Lmin | D1 (js11) | D2 (H7) | Lm | н-д | k | t | b (h9) | g | Lmin | Збільшення 100 мм | |||||
| SWC180WD | 180 | 12.5 | 6.3 | ≤25 | 440 | 155 | 105 | 110 | 8-17 | 17 | 5 | - | - | 0.145 | 52 |
| SWC225WD | 225 | 40 | 20 | ≤15 | 480 | 196 | 135 | 120 | 8-17 | 20 | 5 | 32 | 9.0 | 0.355 | 82 |
| SWC250WD | 250 | 63 | 31.5 | 560 | 218 | 150 | 140 | 8-19 | 25 | 6 | 40 | 12.5 | 0.831 | 127 | |
| Swc285wd | 285 | 90 | 45 | 640 | 245 | 170 | 160 | 8-21 | 27 | 7 | 40 | 15.0 | 1.715 | 189 | |
| SWC315WD | 315 | 125 | 63 | 720 | 280 | 185 | 180 | 10-23 | 32 | 8 | 40 | 15.0 | 2.820 | 270 | |
| SWC350WD | 350 | 180 | 90 | 776 | 310 | 210 | 194 | 10-23 | 35 | 8 | 50 | 16.0 | 4.791 | 370 | |
| SWC390WD | 390 | 250 | 125 | 860 | 345 | 235 | 215 | 10-25 | 40 | 8 | 70 | 18.0 | 8.229 | 524 | |
| Swc440wd | 440 | 355 | 180 | 1040 | 390 | 255 | 260 | 16-28 | 42 | 10 | 80 | 20.0 | 15.320 | 798 | |
| SWC490WD | 490 | 500 | 250 | 1080 | 435 | 275 | 270 | 16-31 | 47 | 12 | 90 | 22.5 | 25.740 | 1055 | |
| SWC550WD | 550 | 710 | 355 | 1220 | 492 | 320 | 305 | 16-31 | 50 | 12 | 100 | 22.5 | 46.780 | 1524 | |
| SWC620WD | 620 | 1000 | 500 | 1360 | 555 | 380 | 340 | 10-38 | 55 | 12 | 100 | 25.0 | 83.760 | 2120 | |
* 1. Tf-при змінному навантаженні крутний момент, який дозволяє відповідно до втомної міцності.
Карданна муфта Raydafon SWC, яку зазвичай називають карданною муфтою SWC, — це не просто частина; він є обов’язковим у важких галузях промисловості, таких як прокатні стани, підйомне обладнання та всілякі складні важкі машини. Як карданна муфта з високим крутним моментом, вона добре виконує роботу, з’єднуючи два трансмісійних вали, які не ідеально вирівняні, забезпечуючи плавну передачу потужності навіть у дуже важких умовах роботи.
Давайте поговоримо про його основні характеристики: діаметр обертання коливається від φ58 до φ620, номінальний крутний момент – від 0,15 до 1000 кН·м, а кут згинання осі – не більше 25°.
Ця муфта найкраще працює в певних місцях, наприклад, коли вам потрібна надійна карданна муфта для роботи на прокатних станах або довговічна муфта карданного шарніра SWC у підйомно-транспортному обладнанні. У цих випадках він демонструє свою силу: навіть за великих навантажень він забезпечує стабільну роботу, без безладу чи поломок.
Універсальну муфту SWC від Raydafon не просто зібрано разом — вона створена за допомогою інтелектуальної, сучасної техніки, щоб чудово працювати та довго служити в промисловому використанні. Давайте розглянемо, чим виділяється його структура.
По-перше, він має розумну та безпечну конфігурацію: ми використали інтегровану конструкцію вилкової головки для цієї промислової універсальної муфти, що зменшує ризики, такі як ослаблення або поломка болтів. Одне лише це налаштування робить його на 30–50% міцнішим загалом, тому він працює безпечно та стабільно. Порівняно зі звичайними муфтами, вона служить значно довше та дозволяє уникнути звичайних проблем у місцях високої напруги, як-от системи карданних муфт важкої техніки, які ви бачите під час важких робіт.
Крім того, є його підвищена несуча здатність: ця потужна універсальна муфта SWC створена для роботи з великою вагою, тому її необхідно мати в місцях, які потребують першокласного керування навантаженнями, як-от гірниче обладнання чи будівельні машини.
Він також досягає високої ефективності передачі — до 98,6%. Будучи ефективним карданним шарніром для передачі великої потужності, він скорочує використання енергії та пов’язані з цим витрати. Ось чому це найкращий вибір для енергозберігаючих карданних муфт у потужних промислових трансмісіях.
І він працює гладко з низьким рівнем шуму: передача залишається стабільною, а шум зазвичай коливається в межах 30-40 дБ(А). Це малошумне карданне з’єднання забезпечує безшумність роботи, що ідеально підходить для промислових місць, де шум є проблемою, — зберігаючи при цьому надійність на високому рівні.
⭐⭐⭐⭐⭐ Чжан Вей, головний інженер Henan Mining Equipment Co., Ltd.
Ми встановлюємо універсальну муфту Raydafon SWC-WD Short Without Flex Flange на наше гірське обладнання, і вона ідеально підійшла. Його компактна конструкція — саме те, що нам потрібно для тісних приміщень, де немає багато вільного місця, а конструкція досить міцна, щоб забезпечити стабільну роботу. Навіть коли він працює без зупинок у важких умовах, це зчеплення ніколи не підведе нас — жодних збоїв. Нашій команді технічного обслуговування подобається, що його майже не потрібно перевіряти, а це означає, що ми можемо забезпечити безперебійне виробництво без додаткових турбот.
⭐⭐⭐⭐⭐ Майкл Браун, операційний менеджер, Texas Steel Works, США
Наша техаська майстерня замовила універсальну муфту SWC-WD Short Without Flex Flange у Raydafon, і, чесно кажучи, якість нас вразила. Муфти дуже добре оброблені, встановити їх нескладно, і вони надійно тримаються навіть під навантаженням. Що мене найбільше вразило? Наскільки добре в ньому поєднуються ціна та продуктивність — ви не часто знайдете це приємне місце. Знайти постачальника, який стабільно забезпечує такий рівень якості, нелегко, але Raydafon довів, що є для нас надійним партнером.
⭐⭐⭐⭐⭐ Анна Мюллер, керівник технічного обслуговування, Berlin Industrial Solutions, Німеччина
Ми встановили універсальну муфту SWC-WD Short Without Flex Flange від Raydafon на нашій лінії обладнання в Берліні, і результати були чудовими. Сам продукт здається неймовірно міцним, зварювання точне — жодної поганої роботи — і поки що він тримається дуже добре, демонструючи першокласну довговічність. Порівняно з деякими іншими брендами, якими ми користуємося тут, у Європі, це з’єднання набагато надійніше, а ціна також набагато конкурентоспроможніша. Якщо інші компанії шукають надійні універсальні муфти, я б однозначно рекомендував Raydafon.
Універсальна муфта SWC-WD Short Without Flex Flange типу Raydafon, яку часто називають карданною муфтою карданного валу SWC, створена для тісних промислових місць, де обмежений простір і потрібна конструкція фіксованої довжини (без телескопічного подовження). Універсальна шарнірна муфта з високим крутним моментом ефективно передає крутний момент між валами, які не вирівняні, витримуючи кутові відхилення до 25 градусів, і залишається надійною навіть у важких умовах.
Давайте поговоримо про його ключові особливості: він має компактну та жорстку конструкцію — цей короткий, негнучкий фланець робить його надійним карданним шарніром для важких умов роботи на прокатних станах, надаючи додаткову стабільність у установках, де осьовий рух мінімальний. Ось чому він так добре працює для з’єднань на фіксованій відстані в жорсткому обладнанні. Крім того, є його висока несуча здатність: для його виготовлення ми використовуємо міцні матеріали, як-от чавун або легована сталь, тому це довговічна муфта карданного вала SWC у підйомному та транспортно-розвантажувальному обладнанні. Він витримує велику вагу та передає більше крутного моменту, ніж інші муфти такого ж діаметру, що робить його ідеальним для важких навантажень у гірничому або будівельному обладнанні.
Ця промислова муфта карданного шарніра також дуже добре компенсує зміщення — будь то кутове, паралельне чи осьове зміщення, воно не впливає на швидкість обертання чи передачу крутного моменту. Це означає безперебійну роботу в системах карданного зчеплення важкої техніки. Крім того, він ефективний у передачі потужності: досягаючи ККД до 98,6%, ця потужна карданна муфта SWC зберігає низькі втрати енергії, що робить її ефективною універсальною муфтою для передачі великої потужності в потужних промислових установках.
Крім того, він розроблений для економії енергії та тихої роботи — якщо вам потрібні енергозберігаючі універсальні шарнірні муфти, це найкращий вибір, який скорочує експлуатаційні витрати. І він підтримує рівень шуму в діапазоні 30-40 дБ(А), тому ця малошумна муфта універсального шарніра підходить саме для промислових місць, де шум викликає занепокоєння.
Ця муфта справді блищить у певних сценаріях, наприклад, коли вам потрібна надійна карданна муфта для важких умов роботи на прокатних станах або довговічна муфта карданного шарніра SWC у підйомно-транспортному обладнанні. У цих випадках, навіть при екстремальних навантаженнях і обмеженому просторі, він забезпечує стабільну роботу без збоїв.
Коли мова заходить про застосування промислових універсальних шарнірних муфт, наш варіант SWC-WD виділяється розумною технікою, завдяки якій він працює краще та служить довше. Давайте поговоримо про його ключову структуру: він має розумну, безпечну установку з інтегрованою конструкцією вилкової головки — це позбавляє від таких проблем, як ослаблення або ламання болтів, підвищуючи загальну міцність на 30%-50%. Це означає, що він працює безпечно та надійно, служить довше, ніж моделі старого зразка, і уникає поширених поломок у місцях із високим навантаженням, як-от системи карданних з’єднань важкої техніки.
Крім того, він може витримувати значно більше навантаження — ми створили його для підтримки більшої ваги, тому ця надміцна карданна муфта SWC ідеально підходить для місць, які потребують жорсткого керування навантаженнями, наприклад для шахтної або будівельної техніки. Він також надзвичайно ефективно передає потужність, досягаючи ефективності передачі до 98,6%. Будучи ефективним універсальним шарнірним зчепленням для передачі великої потужності, він скорочує споживання енергії та пов’язані з цим витрати, що робить його найкращим вибором для енергозберігаючих універсальних шарнірних муфт у потужних промислових установках трансмісії.
І він працює плавно, майже без шуму — передача залишається стабільною, а рівень шуму зазвичай становить 30-40 дБ(А). Це малошумне універсальне шарнірне з’єднання забезпечує тиху роботу, що ідеально підходить для промислових місць, де шум є проблемою, зберігаючи при цьому надійність на високому рівні.
Raydafon — це не просто інше ім’я в галузі трансмісійних деталей — ми є провідним виробником і постачальником високоефективних компонентів трансмісій і рішень для промислового обладнання, і ми приділяємо особливу увагу таким продуктам, як муфта карданного вала SWC. Ми почали, щоб йти в ногу з тим, що потребує глобальна промисловість у міру їх розвитку, і з часом ми створили повну лінійку: коробки передач, приводні вали, гідравлічні циліндри, шківи, прецизійні верстати — усе це створено для підвищення ефективності роботи сільськогосподарського та важкого секторів. Ми прагнемо інновацій, тому ми можемо постачати надійні карданні шарнірні муфти для важких умов роботи прокатних станів, які безперешкодно підходять навіть до найскладніших систем.
Наші потужності також є першокласними — у нас є майстерні з ЧПК, обладнання для шліфування та термічної обробки, а також передові системи 3D-вимірів. Ми дотримуємося суворих стандартів якості, таких як ISO9001/TS16949, і це налаштування дозволяє нам створювати муфти карданного шарніра з високим крутним моментом, які чудово передають крутний момент і справляються з перекосами як професіонали. Візьмемо, наприклад, нашу міцну муфту карданного вала SWC у підйомному та транспортно-розвантажувальному обладнанні — вона створена для місць, які потребують високого навантаження. А наша промислова з’єднувальна лінія карданного шарніра? Він охоплює всі види використання, де точність і міцність мають найбільше значення.
Вісімдесят відсотків того, що ми виробляємо, експортується в такі місця, як США, Німеччина, Японія, Італія, Малайзія, Австралія та Близький Схід. Ми також маємо потужні мережі в Китаї, Південній Кореї, Великій Британії, Сінгапурі, США та Іспанії, тож ми стабільні в усьому світі. Цей охоплення дозволяє нам пропонувати індивідуальні варіанти карданної муфти SWC для важких умов роботи — спеціально адаптовані до потреб клієнтів, наприклад, у системах карданної муфти важкої техніки, де стабільність під екстремальним навантаженням не є предметом обговорення.
Ми дбаємо про стійкість і створюємо рішення, які ставлять клієнтів на перше місце. Ось чому ми розробляємо енергозберігаючі універсальні шарнірні муфти, які досягають ефективності передачі до 98,6%, зменшуючи споживання енергії у потужних установках. Незалежно від того, чи потрібна вам ефективна універсальна муфта для передачі великої потужності чи малошумна універсальна муфта для промислових місць, де шум є проблемою, наші продукти постачаються з повним післяпродажним обслуговуванням. Таким чином ми стали надійним партнером у галузі трансмісії — ми не просто продаємо запчастини, ми їх підтримуємо.
Адреса
Промислова зона Луотуо, район Чженхай, місто Нінбо, Китай
Тел
Електронна пошта


+86-574-87168065


Промислова зона Луотуо, район Чженхай, місто Нінбо, Китай
Copyright © Raydafon Technology Group Co., Limited. Усі права захищено.
Links | Sitemap | RSS | XML | Політика конфіденційності |
