QR-код
Продукти
Зв'яжіться з нами


Факс
+86-574-87168065

Електронна пошта

Адреса
Промислова зона Луотуо, район Чженхай, місто Нінбо, Китай
Коротка гнучка зварювальна універсальна муфта Raydafon SWC-DH створена для з’єднання невідрегульованих валів у важких механізмах, наприклад, прокатних станах, підйомниках і машинах для обробки сталі. Це компактна коротка гнучка універсальна муфта з діаметром повороту від 45 мм до 390 мм. Навіть коли вали відхилені на 25 градусів (кутова невідповідність), він все ще ефективно передає крутний момент — максимум 1000 кН·м, що точно відповідає потребам потужності важкого обладнання.
Ми виготовляємо його з високоміцної сталі 35CrMo та додаємо чотири голчасті підшипники, щоб він витримував високі навантаження. Ось чому це надійний вибір для універсальних муфт промислового обладнання та чудово працює як зварні універсальні муфти важкого обладнання в місцях, де навантаження постійно залишаються високими. Його конструкція з короткою гнучкістю також ідеально підходить для машин з невеликим простором для осьового переміщення — забезпечує надійне фіксування трансмісії для жорстких промислових приміщень.
Raydafon є китайським виробником із сертифікатом ISO 9001, тому ми дотримуємося суворих правил якості для кожної універсальної муфти SWC-DH. Поперечний вал має хромовану пластину для боротьби з корозією, тому він служить навіть у важких умовах. Зварний хомут також полегшує встановлення — просто правильно вирівняйте вали, і він працюватиме якнайкраще. Ви знайдете його на обладнанні в металургії, гірничодобувній промисловості та кранових системах, без проблем.
Крім того, ця муфта має різні розміри та значення крутного моменту. Якщо вам потрібна спеціальна універсальна муфта для промислового обладнання, скажімо, для комбайнів чи іншого спеціального обладнання, ми можемо налаштувати її відповідно до ваших потреб, і ціна залишиться конкурентоспроможною. У нас є виробниче ноу-хау, щоб зробити цю коротку гнучку муфту, яка скорочує час простою обладнання, тож ваші машини в цілому працюють надійніше.
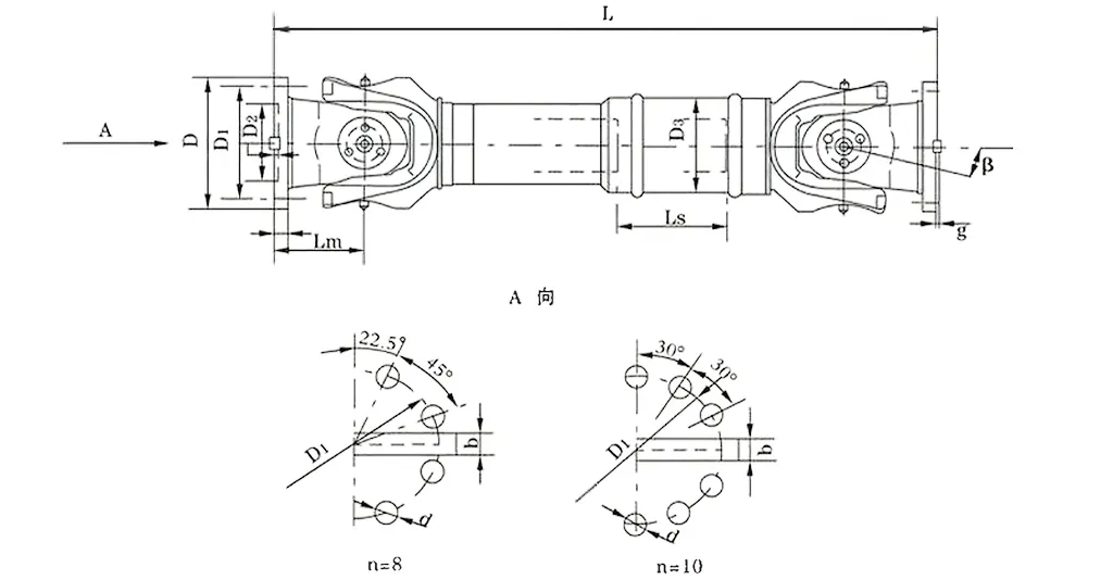
| немає | Діаметр обертання D мм | Номінальний крутний момент Тн КН·м | Кут складання осей β (°) | Втомлений крутний момент Tf КН·м | Flex кількість Ls мм | Розмір (мм) | Інерція обертання кг.м2 | Вага (кг) | |||||||||||
| Lmin | D1 (js11) | D2 (H7) | D3 | Lm | н-д | k | t | b (h9) | g | Lmin | Збільшення 100 мм | Lmin | Збільшення 100 мм | ||||||
| SWC180DH1 | 180 | 20 | 10 | ≤25 | 75 | 650 | 155 | 105 | 114 | 110 | 8-17 | 17 | 5 | - | - | 0.165 | 0.0070 | 58 | 2.8 |
| SWC180DH2 | 55 | 600 | 0.162 | 56 | |||||||||||||||
| SWC180DH3 | 40 | 550 | 0.160 | 52 | |||||||||||||||
| SWC225DH1 | 225 | 40 | 20 | ≤15 | 85 | 710 | 196 | 135 | 152 | 120 | 20 | 5 | 32 | 9.0 | 0.415 | 0.0234 | 95 | 4.9 | |
| SWC225DH2 | 70 | 640 | 0.397 | 92 | |||||||||||||||
| SWC250DH1 | 250 | 63 | 31.5 | ≤15 | 100 | 795 | 218 | 150 | 168 | 140 | 8-19 | 25 | 6 | 40 | 12.5 | 0.900 | 0.0277 | 148 | 5.3 |
| SWC250DH2 | 70 | 735 | 0.885 | 136 | |||||||||||||||
| SWC285DH1 | 285 | 90 | 45 | ≤15 | 120 | 950 | 245 | 170 | 194 | 160 | 8-21 | 27 | 7 | 40 | 15.0 | 1.876 | 0.0510 | 229 | 6.3 |
| SWC285DH2 | 80 | 880 | 1.801 | 221 | |||||||||||||||
| SWC315DH1 | 315 | 125 | 63 | ≤15 | 130 | 1070 | 280 | 185 | 219 | 180 | 10-23 | 32 | 8 | 40 | 15.0 | 3.331 | 0.0795 | 346 | 8.0 |
| SWC315DH2 | 90 | 980 | 3.163 | 334 | |||||||||||||||
| SWC350DH1 | 350 | 180 | 90 | ≤15 | 140 | 1170 | 310 | 210 | 267 | 194 | 10-23 | 35 | 8 | 50 | 16.0 | 6.215 | 0..2219 | 508 | 15.0 |
| SWC350DH2 | 90 | 1070 | 5.824 | 485 | |||||||||||||||
| SWC390DH1 | 390 | 250 | 125 | ≤15 | 150 | 1300 | 345 | 235 | 267 | 215 | 10-25 | 40 | 8 | 70 | 18.0 | 11.125 | 0.2219 | 655 | |
| SWC390DH2 | 90 | 1200 | 10.763 | 600 | |||||||||||||||
* 1. Tf-при змінному навантаженні крутний момент, який дозволяє відповідно до втомної міцності. * 2. Lmin-найменша довжина після розрізу. * 3. L-встановлена довжина, яка відповідає вимогам
Універсальна шарнірна муфта SWC, яку часто називають муфтою карданного валу SWC, є ключовим компонентом у важких промислових сценаріях. Він незамінний для прокатних станів, підйомних механізмів і різних великогабаритних систем важкої техніки. Як карданна муфта з високим крутним моментом, вона може ефективно з’єднувати два трансмісійних вали з осями, що не збігаються, забезпечуючи безперебійну передачу потужності навіть у складних і важких умовах роботи.
Основні технічні параметри цієї муфти наступні:
Діаметр обертання: φ58 - φ620
Номінальний крутний момент: 0,15 - 1000 кН·м
Кут згинання осі: ≤25°
У практичних застосуваннях він працює виключно добре. Наприклад, під час роботи прокатних станів, коли необхідна надійна потужна муфта карданного шарніра, призначена для прокатних станів, або в підйомно-транспортному обладнанні, коли потрібна міцна муфта карданного шарніра SWC, цей продукт є повністю компетентним. Навіть при великих навантаженнях він може стабільно зберігати стабільність роботи обладнання.
Універсальна муфта SWC розроблена з використанням передових інженерних принципів, що забезпечує виняткову продуктивність і довший термін служби в промислових умовах. Його основні конструктивні особливості такі:
Розумна та безпечна конструкція: Завдяки інтегрованій конструкції головки вилки ця промислова універсальна муфта знижує ризик ослаблення або поломки болта, підвищуючи міцність конструкції на 30%-50%. Ця конструкція забезпечує безпечну та надійну роботу, подовжує термін служби порівняно з традиційними моделями та запобігає поширеним несправностям у сценаріях високого тиску, таких як системи карданного з’єднання важкої техніки.
Підвищена вантажопідйомність: карданна муфта SWC для важких умов роботи спеціально розроблена для витримування великих навантажень, що робить її необхідною в сценаріях, які вимагають відмінного керування навантаженням, наприклад у гірничій або будівельній техніці.
Висока ефективність трансмісії: з ефективністю до 98,6% ця ефективна універсальна муфта для трансмісії великої потужності значно знижує споживання енергії та пов’язані з цим витрати, що робить її першим вибором для енергозберігаючих універсальних шарнірних муфт у потужних промислових системах трансмісії.
Стабільна робота з низьким рівнем шуму: ця малошумна карданна муфта працює стабільно з рівнем шуму, як правило, між 30-40 дБ(А), забезпечуючи тиху роботу. Він ідеально підходить для чутливих до шуму середовищ, зберігаючи високу надійність.
Універсальні муфти, особливо муфта карданного валу SWC, стали незамінними компонентами трансмісії в промисловому застосуванні завдяки своїм видатним перевагам. Вони можуть задовольнити основні потреби завдяки своїй продуктивності в таких сферах, як важке машинобудування, точне виробництво та передача енергії. Нижче наведено детальний аналіз їхніх основних переваг:
1. Сильна передача крутного моменту та відмінна компенсація зміщення
Як універсальна муфта з високим крутним моментом, вона може стабільно передавати високі потужні навантаження. Навіть у ситуаціях, коли під час роботи прокатного стану часто виникає зсув вала, наприклад, осьовий зсув, спричинений зносом роликів і змінами температури під час прокатки сталі, ця надійна карданна муфта для роботи на прокатному стані для важких умов може впоратися з цим з легкістю. Він може одночасно компенсувати кутове, осьове та радіальне зміщення з максимальним кутовим зсувом до 25 градусів. Ця чудова адаптивність до зсуву запобігає заклинюванням трансмісії, спричиненим зміщенням вала, забезпечує безперервну та стабільну подачу електроенергії, значно знижує ймовірність механічних збоїв у екстремальних умовах роботи та гарантує безперервну роботу виробничих ліній.
2. Висока міцність і довший термін служби
Конструкція та вибір матеріалів карданних муфт SWC зосереджені на «витримці великих навантажень і суворих умовах». Основний корпус виготовлено з високоміцної легованої сталі в поєднанні з інтегрованою структурою головки вилки, яка істотно зменшує часті моменти поломки, такі як ослаблення болтів і поломка компонентів. Взявши, наприклад, міцну муфту карданного вала SWC, яка використовується в підйомному та транспортно-розвантажувальному обладнанні, вона може витримувати миттєве ударне навантаження під час підйому важких предметів і підтримувати стабільну роботу в суворих умовах, таких як пил і високі температури. У порівнянні з традиційними роз’ємними з’єднувальними муфтами ця промислова універсальна з’єднувальна муфта має загальну міцність, збільшену на 30%-50%, що не тільки зменшує частоту щоденного обслуговування, але й продовжує термін служби на 2-3 роки. Він особливо підходить для довгострокових потреб роботи з високим навантаженням важкої техніки карданних шарнірних муфтових систем.
3. Висока ефективність передачі та значний ефект енергозбереження
Випробування показали, що ефективність трансмісії важкої карданної муфти SWC становить 98,6%, що має очевидні переваги в сценаріях промислової трансмісії високої потужності, таких як доменні вентилятори на металургійних заводах і системи транспортування вугілля на електростанціях. Для обладнання, яке потребує безперервної передачі високої потужності, поєднання цієї ефективної універсальної муфти для передачі великої потужності може мінімізувати втрати потужності. Для підприємств, які прагнуть розробити енергозберігаючі універсальні шарнірні муфти, цю високу ефективність можна безпосередньо перетворити на економічні переваги: беручи за приклад промисловий двигун потужністю 1500 кВт, він може заощадити понад 12 000 юанів на електроенергії на рік і може допомогти підприємствам скоротити значні експлуатаційні витрати при довгостроковому використанні, дотримуючись тенденцій енергозбереження та скорочення споживання в промисловій сфері.
4. Стабільна та тиха робота, підходить для кількох сценаріїв
Завдяки оптимізації точності посадки підшипників і використанню мастила з низьким коефіцієнтом тертя робочий шум цієї малошумної муфти карданного шарніра суворо контролюється на рівні 30-40 дБ(А), що еквівалентно рівню навколишнього шуму в щоденному офісі та повністю відповідає нормам шуму промислових об’єктів. У чутливих до шуму сценаріях, таких як виробничі лінії на заводах з переробки харчових продуктів і транспортне обладнання для точних електронних компонентів, це може не тільки забезпечити стабільність і надійність системи передачі, але й уникнути впливу шуму на робоче середовище або досвід роботи працівників. У той же час стабільні характеристики трансмісії також можуть зменшити знос оточуючих компонентів, спричинений вібрацією обладнання, ще більше покращуючи робочу стабільність і термін служби всієї виробничої системи.
Коротка гнучка зварювальна універсальна муфта SWC-DH, яку часто називають муфтою карданного валу SWC, в основному використовується у важких машинах, таких як прокатні стани та підйомники. Цей тип обладнання має надзвичайно високі вимоги до структурної компактності та гнучкості — лише за умови дотримання цих двох пунктів можна досягти ефективної роботи, і це з’єднання ідеально відповідає таким потребам. Як карданна муфта з високим крутним моментом, вона може ефективно з’єднувати два вали трансмісії з осями, що не збігаються, забезпечуючи безперебійну передачу потужності навіть у важких промислових умовах, де потрібна точна компенсація зміщення системи валів.
У практичних застосуваннях, незалежно від того, чи потрібна надійна важка муфта карданного шарніра для операцій прокатного стану під час роботи прокатного стану, чи потрібна довговічна муфта карданного шарніра SWC для підйому та транспортно-розвантажувального обладнання, цей продукт може працювати чудово — він може підтримувати стабільну роботу обладнання навіть за екстремальних навантажень. Його адаптивна перевага особливо помітна в компактному обладнанні, де простір обмежений і потрібна коротка гнучка структура.
Ця промислова універсальна муфта SWC-DH створена за передовою інженерною технологією та оптимізована для продуктивності та терміну служби спеціально для промислових сценаріїв. Його основна конструктивна особливість полягає в розумній і безпечній конструкції: інтегрована структура головки вилки принципово усуває приховані небезпеки ослаблення або поломки болта, підвищуючи загальну міцність на 30%-50%. Така конструкція не тільки забезпечує безпеку та надійність роботи, але й продовжує термін служби порівняно з традиційними моделями, уникаючи типових проблем із збоями у сценаріях застосування з високим навантаженням, таких як системи карданного з’єднання важкого обладнання.
Крім того, його несуча здатність покращена завдяки конструкції, щоб витримувати більшу вагу, тому ця потужна універсальна муфта SWC дуже підходить для сценаріїв із суворими вимогами до несучої здатності, наприклад для гірничої техніки та будівельного обладнання. З точки зору ефективності передачі, він досягає 98,6%. Як ефективна універсальна муфта для передачі великої потужності, вона може значно знизити споживання енергії та витрати на електроенергію, що робить її кращим продуктом для енергозберігаючих універсальних шарнірних рішень у сфері потужних промислових трансмісій.
Нарешті, ця муфта має стабільну передачу, робочий шум зазвичай контролюється на рівні 30-40 дБ(А), що робить її малошумною муфтою карданного шарніра. Ця характеристика дозволяє йому працювати тихо навіть у чутливих до шуму промислових сценаріях, зберігаючи високу надійність у будь-який час.
⭐⭐⭐⭐⭐ Ван Лей, інженер проекту, Guangdong Heavy Machinery Co., Ltd.
Ми вже деякий час використовуємо коротку гнучку зварювальну універсальну муфту Raydafon SWC-DH у нашому важкому машинобудуванні, і це було приємним сюрпризом, особливо коли мова йде про встановлення у вузьких місцях. У нашому обладнанні досить обмежений простір для деталей трансмісії, але компактний дизайн цієї муфти підходить як влитий, не потрібно переставляти інші компоненти, щоб вона працювала.
Що ще краще, це те, що він не жертвує продуктивністю заради розміру. Він все ще забезпечує потужну, стабільну передачу крутного моменту, що є критично важливим для наших важких операцій. Ми безперервно працювали тижнями, і не було аномальної вібрації; вся система залишається гладкою. Ще однією перевагою є якість зварювання — ви можете сказати, що він міцний, просто подивившись на нього, що дає нам повну впевненість, що він витримає тривале інтенсивне використання. Для муфти, яка поєднує компактний дизайн і надійність, це переможець.
⭐⭐⭐⭐⭐ Чжао Мін, менеджер із закупівель, Tianjin Steel Equipment Co., Ltd.
Нещодавно ми замовили кілька муфт SWC-DH у Raydafon, і я повинен сказати, що весь процес закупівлі пройшов легко — без головного болю, без затримок. З того моменту, як ми надіслали замовлення, їхня команда оперативно реагувала, і доставка надійшла точно в заплановану дату, що є великим плюсом для того, щоб наше виробництво залишалося на плані. Упаковка також була першокласною: кожна муфта була надійно загорнута, без вм’ятин чи пошкоджень під час транспортування — просто готова до розпакування та встановлення.
Наша технічна команда впоралася з налаштуванням, і вони одразу відзначили, наскільки легко це було змонтувати. Ніяких складних кроків, не потрібно шукати спеціальні інструменти — вони швидко встановили його, і відтоді він працює надійно. Якщо взяти до уваги розумну ціну в поєднанні з такою стабільною продуктивністю, стає зрозуміло, що це з’єднання має високу цінність. Ми вже плануємо залишити його в списку регулярних закупівель; це продукт, який полегшує мою роботу як покупця.
⭐⭐⭐⭐⭐ Лю Хун, директор з технічного обслуговування, Shandong Industrial Group
Як людина, яка контролює технічне обслуговування обладнання, моїм головним пріоритетом є скорочення простоїв і скорочення часу, який моя команда витрачає на обслуговування деталей. З’єднання Raydafon SWC-DH ідеально перевіряє обидва ці поля. Ми використовуємо його в обладнанні, яке щоденно працює під великим робочим навантаженням, і воно ніколи не ковзає чи не зсувається — міцно стоїть на місці, без ослаблених з’єднань. Навіть після місяців використання майже не видно ознак зносу, що є величезним контрастом з іншими муфтами, якими ми користувалися раніше.
З тими старими муфтами ми завжди планували швидкі виправлення або заміну деталей, що з’їдало час виробництва та збільшувало витрати. Цей? Ми майже не торкаємось — жодного частого обслуговування, жодних неочікуваних поломок. Це заощадило нам багато часу та грошей на технічне обслуговування, і воно просто продовжує надійно виконувати свою роботу. У наші дні це стало обов’язковим компонентом у нашій щоденній діяльності; Мені не потрібно турбуватися про невдачу, що дозволяє мені зосередитися на інших пріоритетах. Це саме та надійна деталь, яка потрібна кожній технічній групі.
Адреса
Промислова зона Луотуо, район Чженхай, місто Нінбо, Китай
Тел
Електронна пошта


+86-574-87168065


Промислова зона Луотуо, район Чженхай, місто Нінбо, Китай
Copyright © Raydafon Technology Group Co., Limited. Усі права захищено.
Links | Sitemap | RSS | XML | Політика конфіденційності |
