QR-код
Продукти
Зв'яжіться з нами


Факс
+86-574-87168065

Електронна пошта

Адреса
Промислова зона Луотуо, район Чженхай, місто Нінбо, Китай
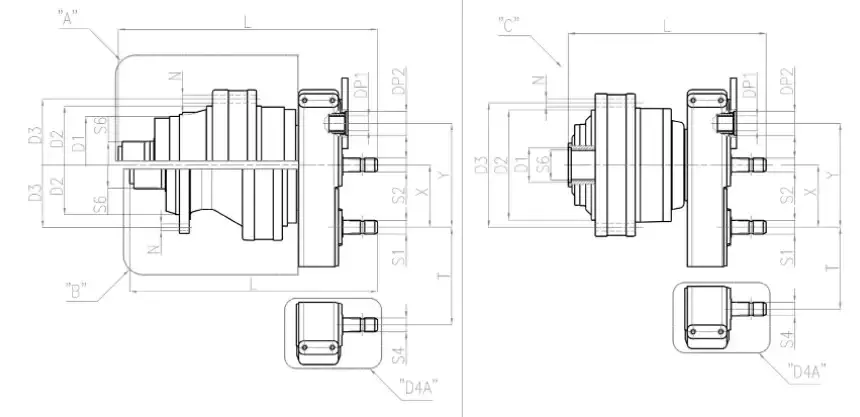
| Модель | ПГ-702 | ПГ-1002 | PG-1602 | PG-1802 | PG-2502 | ПГ-3002 | PG-3503 | |||
| Співвідношення i | 18.2 | 18.3 | 13,4-33,6 | 15.7-29.9 | 14,6-20-36,2 | 45.3 | 53.7 | |||
| Тип виходу | B | B | B | C | B | C | A | C | C | C |
| D1 |
|
|
|
88HB |
|
88HB | 245F7 | 102H7 | 102H7 | 122HF |
| D2 | 200F7 | 230F7 | 230F7 | 278F7 | 230F | 278F7 | 340F7 | 340F7 | 340F7 | 340F7 |
| D3 | 250 | 295 | 295 | 314 | 295 | 314 | 370 | 370 | 370 | 370 |
| N | ∅15×N°12 | ∅17×N°10 | ∅17×N°10 | ∅15×N°18 | ∅17×N°10 | ∅15×N°18 | ∅17×N°15 | ∅17×N°15 | ∅17×N°15 | ∅17×N°15 |
| L | 646.5 | 627.5 | 693 | 490.5 | 714 | 499.5 | 798.5 | 595.5 | 601 | 680.5 |
| S6 | 70*64 DIN5482 | 80*74 DIN5482 | 100*94 DIN5482 | 80*74 DIN5482 | 100*94 DIN5482 | 80*74 DIN5482 | 100*94 DIN5482 | 100*94 DIN5482 | 100*94 DIN5482 | 120*22*5 DIN5482 |
| S1 | 1" 3/8 Z6 | 1" 3/8 Z6 | 1" 3/8 Z6 | 1" 3/8 Z6 | 1" 3/8 Z6 | 1" 3/8 Z6 | 1" 3/8 Z6 | 1" 3/8 Z6 | 1" 3/8 Z6 | 1" 3/8 Z6 |
| S2 | 1" 3/8 Z6 | 1" 3/8 Z6 | 1" 3/8 Z6 | 1" 3/8 Z6 | 1" 3/8 Z6 | 1" 3/8 Z6 | 1" 3/8 Z6 |
|
|
|
| DP1 | 40*36 DIN5482 | 40*36 DIN5482 | 40*36 DIN5482 | 40*36 DIN5482 | 40*36 DIN5482 | 40*36 DIN5482 | 40*36 DIN5482 | 40*36 DIN5482 | 40*36 DIN5482 | 40*36 DIN5482 |
| DP2 | 60,3HB | 60,3HB | 60,3HB | 60,3HB | 60,3HB | 60,3HB | 60,3HB | 60,3HB | 60,3HB | 60,3HB |
| X | 157 | 157 | 157 | 157 | 157 | 157 | 157 | 157 | 157 | 157 |
| Y | 262 | 262 | 262 | 262 | 262 | 262 | 262 | 262 | 262 | 262 |
| S4 |
|
|
|
1" 3/8 Z6 |
|
1" 3/8 Z6 |
|
1" 3/8 Z6 | 1" 3/8 Z6 | 1" 3/8 Z6 |
| T |
|
|
|
156.8 |
|
156.8 |
|
156.8 | 156.8 | 156.8 |
| Модель | Співвідношення i | D1 | D2 | D3 | D4 | N | E |
| PG-1602 | 22.14-33.6 | 80*74 DIN5482 | 225 F7 | 278 F7 | 314 | ∅15×N°18 | SAE B/SAE C |
| PG-2502 | 20-36.2 | 100*94 DIN5482 | 245 F7 | 340F7 | 370 | ∅17×N°15 | SAE B/SAE C |
| Модель | Співвідношення i | D1 | D2 | D3 | N | E |
| ПГ-161 | 3,55-2,49-5,60 | 40*36 DIN5482 | 110 F7 | 165 | ∅10,5×N°8 | SAE A/SAE B/SAE BB/OMTS |
| ПГ-251 | 4.13-5.17-6.00 | 58*53 DIN5482 | 150 F7 | 195 | ∅13×N°10 | SAE A/SAE B/SAE BB/OMTS |
| ПГ-501 | 4.13-5.17-6.00 | 58*53 DIN5482 | 150 F7 | 195 | ∅13×N°10 | SAE A/SAE B/SAE BB/OMTS |
РозвитокПланетарний редуктор кормозмішувача серії PGвипливає з глибокого розуміння проблемних точок трансмісійної системи традиційного змішувального обладнання. Архітектура розподіленої трансмісії з трьома планетарними зубчастими колесами — це не просто нагромадження механічних конструкцій, а шляхом багаторазового моделювання умов напруги при різних співвідношеннях сировини остаточно визначається золота комбінація модуля зубчастої передачі, ширини зуба та кута спіралі. Наприклад, при обробці стебел кукурудзи та суміші соєвого шроту його унікальна конструкція евольвентних зубів може знизити ризик заклинювання матеріалу на 15%. Завдяки високоточному процесу шліфування шорсткість поверхні зуба контролюється нижче Ra0,8, що підвищує ефективність передачі на 8%-10% порівняно з традиційними коробками передач. Дані вимірювань комбікормового заводу показують, що за 12 годин безперервної роботи на добу енергоспоживання цього редуктора на 14% менше, ніж у аналогічних продуктів, а амплітуда коливань крутного моменту змішувального вала зменшується на 22%, що значно покращує рівномірність змішування.
Для твердих часток, таких як пісок, каміння та металеві уламки, які часто змішуються з кормовою сировиною, цей редуктор був націлений з точки зору матеріалів і процесів. Корпус редуктора виготовлений з легованої сталі 20CrMnTi. Після загартування з глибиною цементації 1,2 мм у поєднанні з процесом низькотемпературного відпустки втомна міцність кореня зуба на вигин збільшується до понад 850 МПа. За екстремальних робочих умов неповної перевірки сировини на ранчо його стійкість до точкової корки витримала безперервне 500-годинне випробування на удар піску та гравію, і на поверхні зубів з’явилися лише незначні подряпини без лущення. У той же час, завдяки оптимізації розташування реберної пластини та попереднього натягу підшипника планетарного водила, коробка передач все ще може підтримувати точність передачі при миттєвому ударі, що в 1,5 рази перевищує номінальний крутний момент, уникаючи ризику зсуву шестерні або поломки зубів, спричинених перевантаженням.
Інтелектуальна конструкція коробки передач випливає з глибокого розуміння проблемних моментів експлуатації та обслуговування в промисловості переробки кормів. Його вбудований модуль інтелектуального моніторингу — це не простий збір даних, а перехресний аналіз температури, вібрації, струму та інших сигналів за допомогою моделі алгоритму. Наприклад, коли виявлено, що температура підшипника є аномально високою, система об’єднає дані історії навантажень, щоб визначити, чи є це недостатнім мастилом чи зносом підшипника, і надасть спеціальні рекомендації з обслуговування. Після застосування цієї системи підприємство, що займається виробництвом кормів, уникло трьох незапланованих простоїв шляхом попередньої заміни мастила та регулювання зазору підшипників, а загальна ефективність обладнання (OEE) зросла на 18%. Крім того, дизайн його модульної швидкознімної конструкції був натхненний відгуками технічного персоналу. Щоб завершити повну заміну планетарного редуктора, потрібно відкрутити лише чотири болти, а час технічного обслуговування скорочується з 4 годин традиційної конструкції до 1,5 годин.
З точки зору захисту навколишнього середовища та оптимізації енергоефективності, інноваційний дизайн коробки передач випливає з точного розуміння потреб комбікормової промисловості для зниження витрат і підвищення ефективності. Його структура розсіювання тепла не збільшує площу розсіювання тепла сліпо, а оптимізує кут спіралі та відстань між ребрами розсіювання тепла за допомогою моделювання механіки рідини, таким чином ефективність природного розсіювання тепла збільшується на 30%, тим самим зменшуючи споживання енергії вентилятором охолодження. У системі змащування використовується двозонна технологія подачі масла для динамічного регулювання об’єму масла відповідно до навантаження, уникаючи методу «заливного» змащування традиційних коробок передач і зменшуючи споживання мастила на 25%. Фактичне вимірювання лінії виробництва кормів, експортованої до Європи, показує, що рівень шуму коробки передач на 5 дБ нижчий, ніж стандарт ЄС, а рівень її енергоефективності досягає стандарту IE3, що допомагає клієнтам успішно пройти сертифікацію енергоефективності в країні-імпортері. Ця концепція дизайну, яка глибоко поєднує технічні деталі з комерційною цінністю, є ключем до визнання продукту на ринку.
Привіт! Я Олена Гарсія, клієнтка з Барселони, Іспанія. Ми використовуємо ваш планетарний редуктор у нашій системі відстеження фотоелектричних панелей протягом півтора років. Це обладнання повністю вирішило нашу проблему точності відстеження сонячного світла - коробка передач, яку ми використовували раніше, завжди мала відхилення відстеження приблизно на 5 градусів щоранку та ввечері, тоді як ваша планетарна коробка передач з енкодером може контролювати похибку відстеження в межах 0,5 градуса. Зараз середньодобове виробництво електроенергії фотоелектричними панелями зросло на 18% порівняно з попереднім часом, і навіть рахунок за електроенергію став значно меншим. Тепер цей планетарний редуктор витримав випробування соляними бризками та сильним вітром на фотоелектричній станції на березі моря. Антикорозійне покриття корпусу коробки передач не показало жодних ознак відпадання, а внутрішнє трансмісійне масло не потребує такої частої заміни, як раніше. Я з нетерпінням чекаю на подальшу співпрацю з вами в проектах з відновлюваної енергетики!
Я Ганс Мюллер, інженер-механік з Німеччини. Півроку тому я придбав планетарні редуктори Raydafon для модернізації виробничої лінії. Після використання вони перевершили мої очікування! Для переробки високов’язкої сировини обладнання працює з великим навантаженням по 16 годин на добу. Шум коробки передач зменшено на 20%, ефективність трансмісії стабільна на рівні понад 94%, підвищення температури завжди контролюється в межах 25°C, а довговічність набагато краща, ніж у старих моделей. Ваша команда була професійною та ефективною протягом усього процесу, від ранньої оптимізації параметрів, налаштування ущільнювальної структури до дистанційного керування налагодженням. Детальний дизайн (наприклад, пилозахисні ущільнювачі та стандартизовані монтажні отвори) додатково відображає глибоке розуміння фактичних умов роботи. Якість продукції Raydafon і рівень обслуговування змусили мене без вагань включити її в список довгострокових постачальників і настійно рекомендувати своїм колегам!
Я керую ранчо стільки років і змінив багато коробок передач. Лише коли я використав планетарний редуктор Raydafon, я справді зрозумів, що означає бути безтурботним! Обладнання, яким я користувався раніше, завжди мало потужність під час змішування силосу, і передачі часто буксували. Я не очікував, що ваш планетарний редуктор такий потужний. Ваш продукт набагато простіше встановити, ніж я думав, і його також легко обслуговувати. Минулого разу, коли я самостійно проводив щоденну перевірку, я виявив, що коробка передач дуже добре герметична і не було жодних ознак витоку масла. Я обов’язково буду підтримувати вас у майбутньому та рекомендуватиму вас своїм друзям-ранчорам! ----Марк Джонсон
Адреса
Промислова зона Луотуо, район Чженхай, місто Нінбо, Китай
Тел
Електронна пошта


+86-574-87168065


Промислова зона Луотуо, район Чженхай, місто Нінбо, Китай
Copyright © Raydafon Technology Group Co., Limited. Усі права захищено.
Links | Sitemap | RSS | XML | Політика конфіденційності |
