QR-код
Продукти
Зв'яжіться з нами


Факс
+86-574-87168065

Електронна пошта

Адреса
Промислова зона Луотуо, район Чженхай, місто Нінбо, Китай
«Естафета» потужності: коробка передач кормозмішувача схожа на «капітана естафети» для передачі потужності. Після запуску двигуна потужність спочатку передається на вхідний вал коробки передач, а потім «зміна швидкості» досягається за рахунок зачеплення групи шестерень різного розміру в коробці. Наприклад, якщо вхідний вал обертається 1000 разів на хвилину, вихідний вал може обертатися лише 100 разів після коробки передач, але крутний момент значно збільшується. Ця потужна потужність потім передається на змішувальний вал, дозволяючи змішувальним лопатям швидко перемішувати корм, легко справляючись із «твердими продуктами», такими як корм з високим вмістом клітковини.
Точне зачеплення, зменшення втрат: передачі в коробці передач не підбираються випадково. Шестерні, вироблені Raydafon, мають форму зуба, яка була точно розрахована та оброблена, і щільно прилягають під час зачеплення, як дві частини головоломки, які ідеально підходять одна до одної. Таким чином, тертя під час передачі енергії є дуже низьким, менше втрат енергії, і більшу частину потужності можна використовувати для змішування. Це як встановити на кормозмішувач «енергозберігаюче ядро», яке робить роботу енергійнішою без витрат енергії.
Гнучке налаштування для задоволення потреб: Різні корми та різні кількості змішування вимагають різної швидкості. Принадність коробки передач кормозмішувача полягає в тому, що її можна гнучко регулювати. Змінюючи комбінацію комплектів передач, можна досягти різних передавальних відносин для задоволення різноманітних потреб. Якщо ви хочете швидко змішати силос і концентрувати його, збільште швидкість; якщо ви хочете працювати з тендітною сировиною, зменшіть швидкість і перемішуйте повільно, і коробка передач зможе зробити все.
Стабільна опора та довговічність: Корпус коробки передач еквівалентний «сторожу» всієї трансмісійної системи. Високоміцний чавунний матеріал, міцний і ударостійкий, може стабільно підтримувати внутрішні шестерні та підшипники. Внутрішні підшипники спеціально змащені для плавного обертання та зменшення зносу. Навіть якщо під час змішування корму виникають вібрації, коробка передач може забезпечити стабільне зачеплення передач, безперервну стабільну вихідну потужність і подовжити загальний термін служби.
Процес виробництва продукції Raydafon пройшов сувору перевірку і може бути повністю працездатним після фактичного встановлення. Вибір нашої продукції означає, що ви вибрали спокій.
| співвідношення | Введення об/хв |
Вхідна потужність | Вихід | Модель | Коментарі | |
| кВт | HP | Нм | ||||
| 16,1:1 | 540 | 44.7 | 60 | 11600 | G1-0314 |
|
| 19,4:1 | 540 | 26.1 | 35 | 8600 | G1-0514 |
|
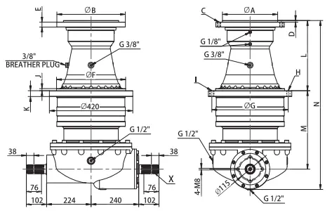
| Номер | A | B | C | D | E | F | G | H | 1 | J | K | L | M | N | ||||||||||||||||||
| 1 | ⌀200 h7 | ⌀278 | 12-M16 EQS⌀245 | 15 | 25 | ⌀280 f7 | ⌀380 | 12-М16 |
|
26 | 30 | 353 | 300 | 785 | ||||||||||||||||||
| 2 | ⌀200 h7 | ⌀278 | 12-M16 EQS⌀245 | 15 | 25 | ⌀280 f7 | ⌀380 | 12-М16 |
|
26 | 30 | 353 | 402.5 | 857.5 | ||||||||||||||||||
| 3 | ⌀278 h8 | ⌀345 | 15-M16 EQS⌀314 | 8 | 25 | ⌀348 h8 | ⌀385 | 12-⌀17 | 2-М18 | 10.5 | 29 | 351 | 321.5 | 774.5 | ||||||||||||||||||
| 4 | ⌀278 h8 | ⌀345 | 15-M16 EQS⌀314 | 8 | 25 | ⌀348 h8 | ⌀385 | 12-⌀17 | 2-М18 | 10.5 | 29 | 351 | 394 | 847 | ||||||||||||||||||
| 5 | ⌀154,8 h8 | ⌀250 | 12-M20*1,5 EQS⌀205 | 12 | 39 | ⌀348 h8 | ⌀385 | 12-⌀17 | 2-М18 | 10.5 | 29 | 354.5 | 321.5 | 778 | ||||||||||||||||||
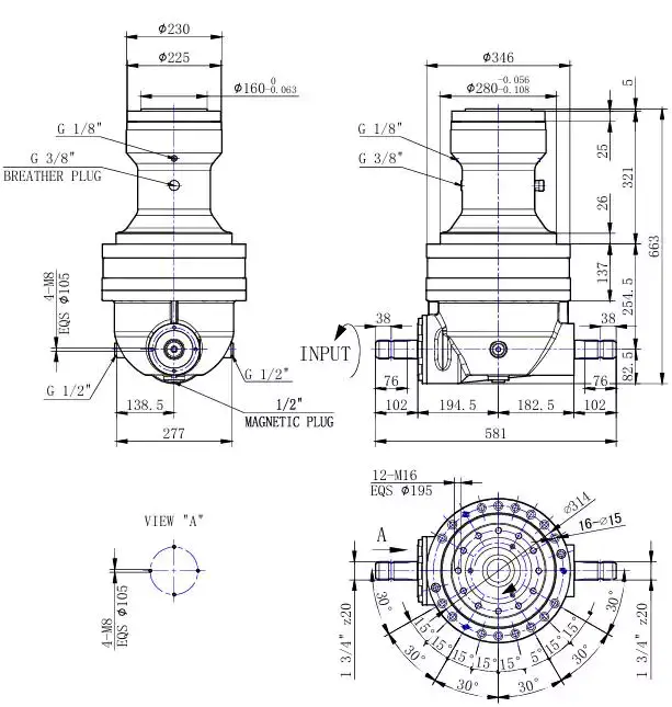
| співвідношення | введення об/хв |
Вхідна потужність | Вихід Нм |
Вхідний вал | Коментарі | |||||||||||||||||||||||||||
| кВт | HP | |||||||||||||||||||||||||||||||
| 13,4:1 | 540 | 85.8 | 115 | 17984 | X |
|
||||||||||||||||||||||||||
| 14,6:1 | 540 | 70.8 | 95 | 16187 | X |
|
||||||||||||||||||||||||||
| 16,1:1 | 540 | 63.4 | 85 | 15971 | X |
|
||||||||||||||||||||||||||
| 18,2:1 | 540 | 44.7 | 60 | 12744 | X |
|
||||||||||||||||||||||||||
| 21,1:1 | 540 | 37.3 | 50 | 12312 | X |
|
||||||||||||||||||||||||||
| 25,9:1 | 1000 | 82 | 110 | 17954 | X |
|
||||||||||||||||||||||||||
| 28,3:1 | 1000 | 67.1 | 90 | 16051 | X |
|
||||||||||||||||||||||||||
Сталевий «корпус» надміцний: ця коробка передач виготовлена з потовщеного високоміцного чавуну, а вся коробка міцна, як снаряд танка. Незалежно від того, чи це вологе середовище під час змішування силосу, чи сильна вібрація, спричинена роботою з гранульованим кормом, він може стійко протистояти цьому. Внутрішні шестерні цементовані та загартовані, а твердість поверхні зуба досягає HRC58. Зносостійкість в 3 рази вище звичайних шестерень. Він безперервно використовувався протягом п'яти-шести років у запилених і важко завантажених фермах, і продуктивність все ще "онлайн", а кількість ремонтів дуже мала.
Передача електроенергії «нуль відходів»: дизайн сповнений винахідливості! Точність зачеплення шестерень досягає рівня волоска, а ефективність передачі енергії перевищує 95%. Інші редуктори можуть мати велику потужність «вислизати» під час змішування, але наш редуктор кормозмішувача для TMR Mixer EP RMG може використовувати всю потужність двигуна на лопаті. Для того ж самого змішування 5 тонн корму, використовуючи наш редуктор, можна на 15 хвилин швидше та заощадити 20% рахунків за електроенергію, заощадивши реальні гроші фермерів.
«Універсальна пристосованість» — це надзвичайно безтурботно: будь то простий міксер на невеликій фермі чи гігантське обладнання на великому комбікормовому заводі, цей редуктор можна легко підключити. Співвідношення швидкості можна вільно регулювати від 2:1 до 15:1, а грубі корми, концентровані корми та змішані корми можна змішувати як завгодно. Установка також проста, і немає необхідності вносити серйозні зміни в обладнання. Звичайні працівники впораються з цим за півгодини згідно з інструкцією, що особливо підходить для фермерів, які поспішають. «Інтелектуальний захист» надзвичайно уважний: коробка передач має вбудований пристрій захисту від перевантаження. Як тільки навантаження змішування стає занадто великим, воно автоматично «зупиняється», щоб уникнути пошкодження передач, що не тільки захищає машину, але й запобігає нещасним випадкам. Крім того, структурний дизайн розумний. Ви можете змінити підшипник або відремонтувати шестерню, відкривши коробку. Це не так клопітно, як розібрати «матрьошку». Час простою та технічного обслуговування значно скорочується, завдяки чому виробництво ферми не зупиняється.
Як закордонний клієнт, я щиро хочу сказати Райдафону спасибі! Ваш редуктор кормозмішувача дуже простий у використанні. З моменту встановлення обладнання працює безперебійно, а ефективність роботи набагато вища, ніж раніше. Коробка передач виготовлена з міцних і міцних матеріалів, проста в установці та обслуговуванні. Це вирішило старі проблеми, які ми мали на попередньому обладнанні. Особливо треба відзначити післяпродажне обслуговування. Під час використання ми зіткнулися з деякими невеликими запитаннями, і ви швидко це зрозуміли. Це дуже надійно. Цей досвід співпраці дійсно хороший. Я рекомендував ваші товари своїм колегам і сподіваюся на продовження співпраці в майбутньому! -----Джеймс Картер
Привіт, я Девід Джонсон, клієнт Raydafon. Раніше я купував ваші редуктори кормозмішувачів, і ними справді чудово користуватися! Після встановлення цієї коробки передач наш кормозмішувач працює набагато плавніше, ніж раніше, а ефективність була покращена. Раніше я хвилювався про заглушення обладнання, але тепер мені про це зовсім не потрібно хвилюватися. Що мене найбільше вартує, це те, що він дуже міцний, матеріал здається міцним, і його не складно щоденно доглядати. Просто затягніть кілька гвинтів і перевірте рівень масла, на відміну від попереднього обладнання, яке потрібно кидати кожні кілька днів. Минулого разу, коли я працював тут, у мене виникли невеликі запитання, я надіслав електронного листа до вашої служби післяпродажного обслуговування й отримав відповідь того ж дня. Інженер також намалював принципову схему, щоб навчити мене, як її налаштувати. Ця послуга чудова! Чесно кажучи, я часто спілкуюся про вашу продукцію з колегами, коли обідаю разом. Хороші речі повинні знати більше людей. Сподіваюся на подальшу співпрацю з вами і бажаю, щоб ваш бізнес ставав все більш популярним!
Мене звати Майкл Браун. Я трохи вагався, коли вперше купив ваші редуктори кормозмішувачів, зрештою, раніше мене обманювали інші продукти, але після майже півроку користування ним я дійсно ставлю йому великий палець! Шум цієї коробки передач набагато менший, ніж раніше. Раніше було як грім, коли його включили, а тепер мені не потрібно кричати, коли розмовляю в майстерні. Найбільше дивує ефективність. Раніше для змішування партії корму потрібно було 40 хвилин, а тепер це можна зробити за 25 хвилин, і конвеєр також збільшив швидкість. Минулого тижня двічі спалахнув індикатор коробки передач. Мені було цікаво, чи виникла проблема, тому я подзвонив у службу післяпродажного обслуговування. Дівчина, яка відповіла на телефонний дзвінок, була дуже терплячою. Вона дозволила мені зробити кілька фотографій і скерувала мене очистити датчик від пилу на місці. Це зайняло не більше 10 хвилин. Коробка передач виготовлена з твердих матеріалів. Зовнішня оболонка здається важкою. Минулого разу навантажувач випадково потер його, залишивши невеликий слід, але внутрішні частини не постраждали. Я постійно говорив про ваші продукти, коли випивав із сусіднім фермером. Він також планує замовити наступного місяця! Я з нетерпінням чекаю спробувати ваші нові аксесуари в майбутньому і бажаю вам ставати все сильнішим і сильнішим!
Адреса
Промислова зона Луотуо, район Чженхай, місто Нінбо, Китай
Тел
Електронна пошта


+86-574-87168065


Промислова зона Луотуо, район Чженхай, місто Нінбо, Китай
Copyright © Raydafon Technology Group Co., Limited. Усі права захищено.
Links | Sitemap | RSS | XML | Політика конфіденційності |
